CQ Ham radio別冊 Q E X Japan No.11
2014年 5月19日発売
専 用 特 設 ペ ー ジ
MOSFET ALD110900A / ALD212900
無 電 源 M O S F E T 検 波 ラ ジ オ の 製 作

このページは記事にする校正前の文章です。
多少、言い回しが違う場合があります。
ここでは誌面で紹介出来なかった実測データ等を記載しています。
実測データは、CSV形式です。 Excelで開く事が出来ます。
注:テキストで表示される場合は、260PF_PVC.csv.txt の様になっています。
最後の拡張子.txtを省いた260PF_PVC.csvに変更してください。
試料は手持ちの物を使用、同じ型番・外径の物でもばらつきがあります。
データは概略を知る参考値に留めてください。
グラフ化はご自分でどうぞ。
読者プレゼントにたくさんのご応募ありがとうございます。
6月10日の消印分の到着を待ってから抽選しますと、QEX編集長の甕岡さんから連絡をいただきました。
さて、どなたが当選されるでしょうか?
このページの最後尾に主要パーツ・セット限定販売のお知らせがあります。
主要パーツ・セットにはTELEX社600Ωヘッドホン付き
基本パーツ・セットの用意もあります。



3台だけの限定製作 中央が記事で製作した物です。
はじめに
昔、ラジオ少年だった方にはお馴染みの方鉛鉱を使った鉱石検波ラジオから、ゲルマニウム・ダイオードを使ったゲルマ・ラジオへと
進化してきました。
その後はトランジスタやICを多用したDSPラジオなど高性能になってきました。
一方で、無電源で動作するラジオはトランジスタ、FETなどのデバイスを使用したラジオも数多く紹介されてきました。
今回は、QST誌 2007年1月号( 著者Bob Culter氏 N7FKI )で紹介されたHigh Sensitivity Crystal Setの記事を基にMOSFET検波によるラジオを製作します。

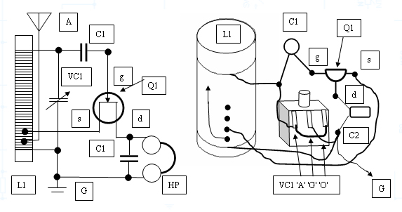
原典にある、この回路図が基本です。
この記事が発表された当時は国内でデバイスを取り扱っている所が無く、実際に試された方はごく少数だったと思います。
私も2008年に大きなバー・アンテナを使用して製作したのですが、そのままにしていました。
2008年当時に製作した1号機
昨年、あのFETラジオはその後どうしたのかとJA1HQG有坂OMから尋ねられたのを機に、ハムフェア会場ブースで別の試作品を展示しました。

2013年ハムフェア会場ブースに展示したMOSFETラジオ
アンテナ・コイルは大型スパイダー・コイルにして、600以上のQ値が得られました。
外部アンテナには、後方の回転式同調型バー・アンテナを結合させています。
会場で多くの方が興味を示されたので、その後は色んなタイプの製作をしています。
ご存知の方も多いと思いますが、FETによる検波を利用したラジオは過去に多くの例が紹介されていて特に珍しくありません。
参考までに、FET検波ラジオ( 2N5484を使用 )の回路例を紹介します。
2N5484をJ310に変更した製作例です。
この製作例もちゃんと聞こえますので、機会があれば製作にチャレンジしてみてください。
今回製作に使用するMOSFETは、米国Advanced Linear Devices社のALD110900A/ALD212900です。
8ピンDIPにMOSFETが2組入っており、この2組のFETを並列接続して使用します。本来は検波用のデバイスではなく、水晶発振回路等のアプリケーションがある様です。
興味が有る方は、メーカーのサイトで応用例をご覧ください。
ALD110900A ALD212900 1N60
原典によればゲルマニウム・ダイオードのスレッショルド電圧が0.3V程度なのに対し、このMOSFETはスレッショルド電圧 VGS(th)=+0.00Vが謳い文句で、更に弱い信号でも聞こえる( 検波出来る )のでは無いかと言うのが著者の実験の始まりではないかと思います。
アメリカでは鉱石ラジオやゲルマニウム・ラジオで遠距離受信にチャレンジする人が多い様ですが、これは広い国土がなせる技なのでしょう。
残念ながら都内では弱い信号を受信するどころか、ノイズが多い環境ではまともに聞こうとするにも苦労します。
備考:各ゲートに静電気防止の保護用ダイオードが内部でV-端子に接続されています。
原典で短波帯の製作例では接続されていますが、中波帯の製作例では接続されていません。
今回の製作では、1番ピンと5番ピンは無接続としてください。
試しにGNDに接続すると、極端な感度低下と大幅な同調ずれが確認出来ました。
個々の部品性能検証編
何しろ到来する電波だけで聞くゲルマニウム・ラジオと同類の無電源ラジオです。
電波の流れは外部アンテナからアンテナ・コイル( 同調回路 )に導かれ、
検波された後に音声出力回路を通り
音声となります。
トランジスタやICを多用するラジオの製作よりも、アンプ部分が無いので個々の部品性能が音声出力に大きく影響してきます。
性能の良い一つ一つの部品を組み合わせてこそ、感度の良い無電源ラジオが出来上がります。
どんな部品を使うのが良いか、個々の部品性能を実測データで検証して製作していきます。
外部アンテナは、QEX誌 2014年春号No.10で紹介されたアクティブ・アンテナを使用しました。
アンテナ・コイルは、バー・アンテナを採用しました。
トランジスタ、ICラジオではバー・アンテナが小さくてもアンプで増幅すれば何とかなりますが、
無電源ラジオなのでアンプがありません。
それ故、電波の入口であるバー・アンテナは出来るだけ大きな物を使いたいところです。
とは言え大きなフェライトは入手が難しく、運良く見つかったとしても目的の周波数で使えるかどうかは
実際に使用してみないと分かりません。
今回は、秋葉原・東京ラジオデパートのシオヤ無線電機商会で販売されているフェライト・ロッドにリッツ線を巻いてバー・アンテナとしています。
では、バー・アンテナで重要なコイル部分の線材の違いを比較してみましょう。
フェライト・ロッドは長さ180mm 径10mmを使用し、
UEWポリウレタン単線と高周波の表皮効果改善に有効なリッツ線との比較をしました。
これが皆さんの一番知りたい点ではないでしょうか?

画像は0.04mm 660本 外径は約2mm
リッツ線とは細いUEWポリウレタン線など( 素線 )をたくさん束ねポリエステルなどの外皮で保護している物で、
最近はワイヤレス電力伝送のコイルに使用されている例が多い様です。
比較するにあたって重要なのは、実際に使用する周波数でのインダクタンスとコイルの品質を評価するQ値の測定が
不可欠です。
最近は低価格のLCRメーターでもQ値が表示される機種がありますが、フェライトの様な磁性体に巻かれたコイルは
周波数特性があり、使用周波数帯以外の周波数で測定すると値が大きく変わるので目安に留めてください。
今回はAgilent Technology社 E4980A精密LCRメーターを使用して、実際に使用する中波帯で測定をしています。
実際に測定したキャプチャ画面をご参照ください。

フェライト・ロッドは長さ180mm 径10mmを使用しました。
0.23mm UEW線とリッツ線( 0.04mm X 100本 )を巻いています。
500kHz、1MHz、1.5MHzの3周波数で信号レベル1Vで測定して比較しています。
1次コイル:0.23mm / UEW線 線幅:15mm

左より500kHz、1MHz、1.5MHzのデータです。
1次コイル:リッツ線 0.04 X 100 線幅:49mm
左より500kHz、1MHz、1.5MHzのデータです。
実際に使用する周波数帯で測定してみれば、このように一目瞭然です。
インダクタンスはほぼ同じでも、リッツ線を使用した場合にはQ値は2倍程度良くなっているのが分かります。
もっと本数が多いリッツ線で巻くと更にQ値は高くなるかも分かりませんが、線径が太くなるためインダクタンスを確保するには
フェライト・ロッドが大きくないと巻ききれなくなります。
それとフェライトの透磁率との兼ね合いで頭打ちになってしまいます。
組み合わせがうまく出来れば、中波帯でQ値は1000程度は稼げます。

存在感があるスパイダー・コイルはQ値が高いと言われていましたが・・さて、実測するとどうでしょう?

Agilent E4980A LCRメーターで測定している様子

左より500kHz、1MHz、1.5MHzのデータです。
実測結果は、圧倒的に高いQ値でバー・アンテナに軍配が上がります。
スパイダー・コイルに外部アンテナを使用するなら若干感度が落ちますが、問題なく聞く事が出来ます。
スパイダー・コイルでQ値を上げるには、大きな径にしてリッツ線を使うのが有効です。
15cm程の径で0.04mmX660本のリッツ線を使用すると、600程度のQ値が得られます。
注:スパイダー・コイルはQ値が高いと主張している人は、どんなコイルを基準にして比較しているのでしょう?
どなたかご存知でしたら、教えてください。
同調回路はバー・アンテナとバリコンで形成されますが、古典風に組み上げるならエア・バリコンも良いかも分かりませんが
昔のセットから取り外した物は要注意です。
電極間に埃が詰まった状態だと、Q値が大きく低下しています。
アルプス製等の新品だと3000以上はありますが、埃が詰まっていると数100台に落ちます。
アンテナ・コイルとバリコンで構成された同調回路のQ値が高ければシャープさが出て、低い場合は信号のピークが
よく分からないという症状も出てくるでしょう。
取り外し品は、必ず電極間の掃除が必要!と思いましょう。
最近は、比較的安価な中国製の新品エア・バリコンも見かけますが・・・・
購入時は電極が接触していないか、テスター持参で買いに出かけないと後悔する事になるかもわかりません。
では、各バリコンの性能比較をしてみましょう。
エア・バリコンは、金属片の間に空気と金属片を支える絶縁物しかありませんので、理想的なQ値が得られます。
ポリ・バリコンは、金属片の間に絶縁シートを挟み小型化しています。
ポリ・バリコンは耐久性が劣るという人が居ますが、素材と構造が違うので当たり前です。
こだわりが無ければ、値段も手頃で良質なポリ・バリコンが良いと思います。
消耗したら交換すれば良いという考えが現実的です。
では、実際の性能はどうでしょうか?
比較してみようと思いましたが、あいにく容量の同じ物がありません。
メーカーでは、430PFを例に取るとQ値は100PFとか200PFの測定をしている場合が多いようです。
そこで容量を100PFと200PFの
1MHzにおけるQ値を比較してみました。

左から:中古430PF / 3連 新品430PF / 2連 中古2連AM / FM
測定周波数:1MHz / 1V の同一条件で測定しています。
上のデータは、中古AM / FMバリコンです。
上のデータは、新品 アルプス製 C624A 430PF / 2連バリコンです。 性能は抜群です!

上のデータは、中古430PF / 3連バリコンです。 Q値は大幅に低下しています。
羽根の間に埃が見られたので、これが原因の一つでしょう。
この中古3連バリコンの羽根の間に、柔らかくて細い刷毛で埃を取ってみました。
羽根の真ん中付近の埃はまだ残っているかも判りませんが、かなりQ値が上がりました。
実測してみる事で、埃の影響が容易に理解出来ると思います。
上の4種類のデータを表にすると、こんな感じです。
|
100PF
|
200PF
|
中古
AM/FM
|
99.81PF
Q 1621.69
|
201.06PF
Q 2552.77
|
新品 アルプス
C624A
|
100.19PF
Q 3646.70
|
200.95PF
Q 4184.29
|
中古
430PF/3連
|
100.69PF
Q 696.17
|
199.17PF
Q 478.34
|
中古
430PF/3連 清掃後
|
100.97PF
Q 1825.39
|
200.87PF
Q 2403.78
|
では、ポリ・バリコンの性能はどうでしょうか?

よく見かける260PFポリ・バリコン
このポリ・バリコンは性能面でもお勧めです。
小さなトリマが4つありますが、接続されていません。

これは、260PFポリ・バリコンのデータです。どうですか? 性能面で見劣りしていますか?
Q値を見れば新品のアルプス製エア・バリコンより高い数値を出しています。
メーカーの肩を持つ訳ではありませんが、このポリ・バリコンは安価でも安心して使えると思います。
これまでQ値という言葉が多く出てきましたが、これは無負荷状態でのQを表しています。
前述のバー・アンテナとバリコンで形成された同調回路を検波する為にダイオードなりMOSFETを使用しますが、
接続する素子のインピーダンスが低い場合はQ値は低下します。
低下する事で感度が落ちたり同調のシャープさが無くなります。
今回はMOSFETの入力インピーダンスが十分高いので、同調特性が劣化する事無く効率良く検波ができます。
ポリ・バリコン と エア・バリコンの実測データ キャパシタンス:Q値の周波数特性
注:テキストで表示される場合は、260PF_PVC.csv.txt の様になっています。
最後の拡張子.txtを省いた260PF_PVC.csvに変更してください。
このページに記載している260PFポリ・バリコン
260PF_PVC.csv
ミズホ通信研究所 340PF2連ポリ・バリコン
340PFX2_PVC.csv
中国製 460PF2連エア・バリコン
460PFX2_CHINA.csv
アルプス B61A 350PF エア・バリコン
ALPS_B61A_350PF.csv
データの見方
100kHzから2MHzを、各バリコンを200PFに設定した時のQ値を測定しています。
測定周波数の項目 260PFポリ・バリコンを例に取ると
1.00E+05は、1 X 10 の 5乗Hz = 100kHzを意味します。
1.94E+06は、1.94 X 10 の 6乗Hz = 1.94MHzを意味します。
E列はキャパシタンスです。
2.00E-10は、2 X 10の -10乗ファラッド = 200PFを意味します。
F列はQ値です。 指数はありません。
1.58E+04は、1.58 X 10 の 4乗 = 15800を意味します。
7.68E+03は、7.68 X 10 の 3乗 = 7680を意味します。
出力トランス

左は山水 ST-30相当品 右は、タップがたくさんあるタイプ
使用するレシーバー( イヤホン )に合わせて、アレンジしてください。
例えば、山水 ST-17A( 25kΩ:10kΩ )を使用すると・・・・
レシーバーはセラミック・イヤホンとマグネチック・レシーバーを想定して、10kΩとセンター・タップを利用し2.5kΩにします。
また、ST-30( 50kΩ:12.5kΩ )や相当品でも使えます。
記事で使用したトランスは8Ω - 16Ω - 32Ω - 64Ω - 300Ω - 10kΩ - 20kΩ - 40kΩ - 60kΩ - 80kΩ - 100kΩとたくさんのタップがあり、
色んなタイプのレシーバーが接続出来ます。
手持ちのトランスがあれば色々なタップを試して、音質や音量が好みのものになれば良いと思います。
イヤホン・レシーバー
同調回路、検波と部品を吟味してきましたが、音の出口であるイヤホンなどもできるだけ大きな音が出る物を選びたいですね。
お勧めは、32Ωで110dB以上の高感度のヘッドホンです。 専門店で探せば2,000円台から買える様です。
出力をアンプに接続して大きな音で楽しむのも良いですが、昔ながらのマグネチック・レシーバーも味がありますね。
ただし、マグネチック・レシーバーは現在は製造していないので、中古市場などで探さなくてはいけません。
入手しやすいのは600Ωタイプのダイナミック型でしょうか。
左から、クリスタル セラミック国産 セラミック台湾 ダイナミック( SONY DR-3C )
DR-3Cは40年以上前に製造された10kΩステレオ仕様ですが、左右を並列接続して測定しています。
参考として・・・これらの特性を取ってみました。
セラミック・イヤホンのキャパシタンスVSインピーダンス特性
セラミック・イヤホンの静電容量特性
注:テキストで表示される場合は、SONY_DR3C.csv.txt の様になっています。
最後の拡張子.txtを省いた2SONY_DR3C.csvに変更してください。
ソニー DR-3C ダイナミック・ヘッドホン
SONY_DR3C.csv
クリスタル・イヤホンのインピーダンス
CRYSTAL_EARPHONE.csv
国産セラミック・イヤホンのインピーダンス
JAPAN_CERAMIC_IMP.csv
台湾製セラミック・イヤホンのインピーダンス
TAIWAN_CERAMIC_IMP.csv
国産セラミック・イヤホンの静電容量
JAPAN_CERANIC_CAPACITANCE.csv
台湾製セラミック・イヤホンの静電容量
TAIWAN_CERAMIC_CAPACITANCE.csv
●インピーダンス・データの見方 100Hzから10kHz間のインピーダンスを測定しています。
測定周波数の項目 SONY DR-3Cを例に取ると・・10KΩを並列接続して測定しています。
1.00E+02は、1 X 10 の 2乗Hz = 100Hzを意味します。
8.80E+03は、8.80 X 10 の 3乗Hz = 8.8kHzを意味します。
E列はインピーダンスです。
3.79E+03は、3.79 X 10 の3 乗Ω = 3.79kΩを意味します。
F列は位相角です。
2.49E+01は、2.49 X 10 の 1乗° = 24.9°を意味します。
●セラミック・イヤホンの静電容量データの見方
100Hzから10kHz間のキャパシタンスとQ(損失係数)を測定しています。
測定周波数の項目
国産セラミック・イヤホンの静電容量を例に取ると
1.00E+02は、1 X 10 の 2乗Hz = 100Hzを意味します。
8.80E+03は、8.80 X 10 の3乗Hz = 8.8kHzを意味します。
E列はキャパシタンスです。
1.87E-08は、1.87 X 10 の -8乗ファラッド = 18.7nF = 18700PFを意味します。
F列はQ値です。
4.81E+01は、4.81 X 10 の 1乗 = 48.1を意味します。
-----------------------------------------------------------------------------------
セラミック・イヤホンも国産品を扱っている店が少なくなり、台湾製が多くなってきています。
1個だけで使用するより、2個を直列接続して使うと聞きやすくなります。
直列接続するにはリード線とセラミック電極をテスターで当たり、セラミック振動板の極性を合わせてください。
最近のセラミック・イヤホンは音が悪くて使い物にならないと言う意見を見かけますが、トランスを使うなり工夫を
しているでしょうか? トランスでマッチングを取ってやれば、結構使い物になると思うはずです。
ちょっと脱線 クリスタル・マイクはどうだろう?

コーラス電機 CM75 のインピーダンス特性も測ってみました。 CM75.csv
スピーカーの代用品としても使えます。
インテリアのアクセントになる通信型受信機風のMOSFETラジオを製作しました。

今まで検証してきた部品を使って、組み上げます。
基本は原典の回路図通りですが、MOSFETの検波出力とトランスの間に検波電流をモニターできるロシア製50μAメーターを取り付けました。
分流器の併用で倍率をスルー、X1、X2、X5としています。
8Ωから100kΩまでのマルチタップ出力トランスを使用し、MOSFETの出力を20kΩのタップに接続しています。
ALD110900A/ALD212900ともにピン接続は同じです。 回路図に記載している以外のピンは無接続としてください。
バー・アンテナは180 X 10mmのフェライト中央部に、1次側は0.04mm / 100本のリッツ線を線幅53mmで巻いています。
この線幅はフェライトの微妙なばらつきや巻き方で変わってきますが、53mm巻いてあれば500kHz台の低域もカバーします。
2次側は1次コイルの横に0.04mm / 30本リッツ線を10回巻いています。
使用するフェライト材の透磁率と巻く線材が変わればインダクタンスが変わってきます。
記事で使用したフェライト以外でコイルを作る場合は、巻数を増減してください。
260PFポリ・バリコンを使用する場合は、360μH前後になれば中波帯全部をカバー出来ます。
特定の放送局だけ聞きたい場合は、コイルはそのままでバリコン部分は固定コンデンサと半固定トリマが使えます。

線がほどけない様にセロテープで仮留めし、巻き始めと巻き終わりが判別出来る様に印をつけておきましょう。

完成後のバー・アンテナを木製台に取り付けるホルダー
バー・アンテナを固定する時に困るのが、固定台です。
ホームセンター等でキッチンタオル掛けを買ってきて、両側のホルダーを使っています。
穴径が合わない場合はドリルで拡げて使います。

簡易カプラー用コイルの作り方
バリコンを使った同調式カプラーでなく、コイルのタップを切り替えて入力信号を調節するだけの簡易型です。
フェライト・ロッドの上に巻くだけで、結構効果があります。
使用するフェライト径が10mmなので、若干太いパイプ等で1mm程度のスズメッキ線を巻きます。
両側は10cmほど余裕を見てから切ってください。
これは片側10m以上のダイポール・アンテナなど、大きなアンテナを用意出来る方には必須のカプラーです。
タップを切り替えて適切な入力にする事が望ましいです。
タップ切り換え用のスイッチは1回路6接点を使用、リード線を5本あらかじめハンダ付けします。
バー・アンテナに接触しても動作しますが、コイル部分がぶらぶらするのが気になる場合はパイプ上に巻いて
フェライトにかぶせます。
1- 6ターンのタップにしていますが、もっと微妙な調整が必要な場合は0.5ターン毎で試してください。

完成した正面パネル メーターの下は分流器の倍率
中央のメーター( ロシア製 40x40mm 50μA )が雰囲気を出しています。
パネルの大きさを幅20cm 高さ10cmにしたので、バランスが取れる大きさのメーターを探しました。

木製台に取り付けた画像
部品表 秋葉原・東京ラジオデパートでほとんど揃います。
ALD212900PAL ソケット付き マイクロ・パワー研究所
2200PFセラミック・コンデンサ マイクロ・パワー研究所
マルチタップ出力トランス マイクロ・パワー研究所
リッツ線 0.04mm 30本約1m 100本約5m マイクロ・パワー研究所
蛇の目基板 タカチ電機 TNF44-69、アルミ・パネル エスエス無線
180 X 10mmフェライト・ロッド シオヤ無線電機商会
260PFポリ・バリコン・つまみ シオヤ無線電機商会
フォーン・ジャック、配線材料、ネジなど シオヤ無線電機商会
50μA直流メーター( 国産品・中国製 ) 東映無線・秋月電子通商など
メーター分流器用多回転ボリューム 1kΩ 500Ω 赤城商会など
2回路6接点ロータリーSW 2個 小林電機商会・秋月電子通商など
1回路12接点ロータリーSW 1個 小林電機商会・秋月電子通商など
木製台・バー・アンテナのホルダー等は、ホームセンターで
感度比較編
完成したラジオをALD110900AとALD212900、ゲルマニウム・ダイオード1N60で感度比較をしてみます。
受信地は東京都中野区で、NHK第一( 594kHz )で同じ時間帯の比較をしました。
アンテナはQEX誌No.10で紹介されている、地上高15mに上げたアクティブ・アンテナを使用しました。
本来なら本格的な比較をしたいところですが、今回は検波電流をメーターで読み取り比較としました。
ALD110900AとALD212900はピン接続は同じなので、そのまま差し替える事が出来ます。
1N60については2 - 7 / 3 - 6間に接続して、普通のゲルマニウム・ラジオと同じ回路にしています。
50μAメーターに分流器を接続して250μAフル・スケールにしていますので、換算値をメーターの下に記します。
そして、比較した結果は・・・・

1N60の結果 80μA ALD110900Aの結果 100μA

ALD110900A/3段重ねの結果 150μA ALD212900の結果 190μA
比較してみた感想は・・・
1N60の場合は混信が目立ち感度も低めでした。 これはダイオードを接続した事でバー・アンテナの実効Q値が低下したからだと思います。
ゲルマニウム・ラジオで感度が今ひとつ良くない場合は、実効Q値が低下しにくい2次巻き線を試してみてください。
ALD110900Aの入力インピーダンスは10の12乗Ω、ALD212900は2.5 X 10の10乗Ωとかなり大きいので
コイルの実効Q値が下がらずに好結果が出たのだと推測します。
気になるのはALD110900Aは強い局を受信した場合の検波電流は多くなりますが、検波電流最大点では音声が歪みます。
この場合は同調を少しずらす、ALD110900Aを多段接続にしてみる、ALD212900と交換するなどの逃げ道があります。

ALD110900A 多段接続
ALD110900Aを
3段重ねにした場合は、音声に目立った歪みは感じられませんでした。
データシートでALD110900AとALD212900のドレイン電流Idsを比較すると、ALD110900Aは小さいのが一因と思います。
無電源で動作させていますから一概に正しいとは言えませんが、ALD212900の方が6倍多く取れる様です。
多段接続する場合の注意点は、入力キャパシタンスです。 ALD110900Aは2.5PFと小さいので、多段にしてもほぼ影響はありません。
ALD212900は30PFあり、多段にすると同調用バリコン容量にプラスされるので、インダクタンスの調整(減らす方向に)が必要になります。
また、検波電流モニター用のメーターの内部抵抗も音量に多少の影響を及ぼします。
レンジが大きくなれば内部抵抗と分流器で合成された抵抗値は小さくなるので、音量は増えます。
当然ですが検波電流が大きくなれば音量も大きくなり、無電源とは思えないような音量になります。
皆さん、思い思いのやり方で試して頂きたいと思います。
番外編
太めで長いフェライト・ロッドの代用品として、こんなやり方もあります。
各社から販売されているノイズ吸収コアをパイプ内に収納して大きなコアとして見なします。
コアは16 X 16 X 28mmの2分割タイプで試してみました。
同じコアがたくさん入手出来る方は、ぜひ試してみてください。

パイプの中身は、2分割コア

ノイズ吸収コアを使用したMOSFETラジオ これも良好に受信出来ました。
歩きながら聞けるラジオを目指してみました・・・
バー・アンテナは、356 X 16mmに0.04mm 660本リッツ線を巻いています。
重さ:850グラム

バー・アンテナ( 356 X 16mm )のインダクタンス・Q値
左より500kHz、1MHz、1.5MHzのデータです。
フェライトが長い分、誘起電圧が稼げます。

内部は、こんなにスペースがあります。
外に持ち出して聞いてみました。
実際に今回製作したラジオを持って、東京都中野区の自宅からJR中野駅前まで歩いてみました。
途中の受信状況は場所により強く聞こえたり弱めだったり変化しましたが、話の内容は100%分かりました。
電波の強さに左右される自然まかせの無電源ラジオですが、送信所から10km以内では実用範囲に入りそうです。
問題点はヘッドホンでは衣類と擦れる音、騒音で聞きづらくなるので考慮が必要です。

JR中野駅前付近でも、どの位聞こえるものか歩き回ってみました。 中央が中野区役所、右が中野サンプラザ
駅北側の送信所方向には高いビルが無く、駅周辺に10棟ほどの高いビルがあります。
一番受信状態が良かったビル前の広場では、NHK第二/594kHz、AFN/810kHzが強く、ヘッドホンだけでなくスピーカーさえも
鳴ってくれます。
大きめのバー・アンテナ( 356 X 16mm )では明らかに歪みが増して聞きづらい状況になり、長さ100mmのバー・アンテナでも十分聞こえました。
ちなみに受信テスト地点とNHK第二は39.9km、AFNは9.2kmの距離です。
NHK第二の出力が500KWとは言え、
外部アンテナなしにがんがん受信出来るのは興味深い結果になりました。
無電源ラジオを楽しむには外部アンテナを使用するか、外部アンテナ無しなら電波の通り道を探すのが重要です。
この時の受信音声ファイルはこちら。
mosfet_radio_outdoor.wma
記事で製作したラジオを外部アンテナ無しで録音しています。
NHK第一、第二、AFN、TBS、文化放送の順に同調操作をしています。
NHK第一は音が小さいです。
こちらは、自宅での受信音声ファイルはこちら。
mosfet_radio_jitaku.wma
アンテナは15m高のスモール・アンテナを使用しています。
NHK第一、第二、AFN、TBS、文化放送の順に同調操作をしています。
この録音ファイルは音量レベルを下げる以外の加工はしていません。
記事で製作したラジオの音声出力をそのまま使用しています。 オーディオ・アンプ無しでも、十分に聞こえます。
安いICレコーダーを使用したので、ハイ・ローの感度切り替えしか無く聴きやすい音量になる様にボリュームで調整しています。
天気の良い日に散歩を兼ねて、製作したラジオを持ち出すのはいかがですか?
予 告
ハムフェア2014 2014年8月23日(土)10:00 〜 17:00 8月24日(日)10:00 〜 16:00
会場:東京ビッグサイト 西2ホール(東京都江東区有明3-11-1)
ハムフェア会場 関西マイクロウェーブ実験グループのブースで、記事で製作したラジオと
持ち歩けない無電源MOSFETラジオを新規製作して展示しようかと計画しています。
一部に無電源ではなく、無鉄砲MOSFETラジオとの指摘がありますが。
参考文献・原典など
●原典 ARRL QST誌 2007年1月号 著者 Bob Culter氏 N7FKI
http://www.arrl.org/files/file/Technology/tis/info/pdf/culter.pdf
●原典 The "UnFETtered Crystal Radio! 著者 Austin Hellier氏
http://electronics-lab.com/projects/rf/011/
●Advanced Linear Devices社 ALD110900A / ALD212900 データ
http://www.aldinc.com/pdf/ALD110800.pdf
http://www.aldinc.com/pdf/ALD212900.pdf
●シオヤ無線電機商会 10:00〜18:30 定休日:日曜日
〒101-0021東京都千代田区外神田1-10-11東京ラジオデパート3F
TEL 03-3253-3987 FAX 03-3253-4355
18cmフェライト・ロッド、ポリ・バリコン、小型トランス等
●ミズホ通信研究所 MOSFET無電源検波ラジオを作ってみませんか?
記事以外の製作例等がありますので、ご一読ください。
http://mizuho-lab.com/fet/radio.html
記事に連動した専用ページ・・
このページです。
http://mizuho-lab.com/qex/qex_no11.html
記事で製作した基本パーツセットは、以下で取り扱っています。
マイクロ・パワー研究所 10:00〜17:00 木曜日・祝日は休み
〒101-0021東京都千代田区外神田1-10-11東京ラジオデパート1F
●使用した測定器
Agilent E4980A 20Hz - 2MHz 精密LCRメーター
エヌエフ回路設計ブロック ZM2376 1mHz - 5.5MHz LCRメーター
HP 16047C テスト・フィクスチャ
Agilent 16047E テスト・フィクスチャ
--------------------------------------------------------------------------
主要パーツ・セット限定販売のお知らせ
TELEX社600Ω ハイ・インピーダンス ヘッドホン 付き
記事に掲載した主要部品を限定販売致します。
部品は全て新品です。
入手困難なTELEX社のハイ・インピーダンス( 600Ω )レシーバーをセットにしています。
このラジオ以外に、鉱石ラジオやゲルマニウム・ラジオにも最適なレシーバーです。
数量が少ない為、レシーバーのみの別売りはできませんのでご了承ください。
TELEX社は無線通信・航空関連のヘッドセット等を製造している有名なメーカーです。
記事で製作したラジオに使用したメーターは、30年前のロシア製の入手困難品です。
限定セットには国内で入手出来る物をセットにしています。
ハンダ付けが必要です。
メーターの分流器の調整用にテスター( 出来ればデジタル表示 )が必要です。
全体の回路図の用意はしていませんので、回路の流れが理解出来る方のみお買い上げください。
製作に関してのサポートはしていませんので、ご了承ください。
バー・アンテナは記事に掲載した通りに巻けば、中波帯をカバー出来ます。
CQハムラジオ誌 2014年7,8月号にもJG1CCL 内田OMによる無電源MOSFETラジオの記事が掲載予定されています。
記事に掲載した主要部品セットの内容 画像の部品が全てです。
このセットは、CQ Ham radio別冊 Q E X Japan No.11 に記載した読者プレゼントと同じ物です。
ALD212900PAL ソケット付き( ALD110900Aでも同価格です。 ご希望の場合は指定してください。)
2200PFセラミック・コンデンサ
マルチタップ出力トランス 8Ω - 100kΩ ピン接続図付き
蛇の目基板 タカチ電機 TNF44-69
リッツ線 2次巻線用 0.04mm 30本 約1m
リッツ線 1次巻線用 0.04mm 100本 約5m
180 X 10mmフェライト・ロッド
260PF
ポリ・バリコン・つまみ( 延長シャフト、取り付けネジ含む )
フォーン・ジャック
50μA
直流メーター( 検波出力側を+に接続
)
メーター分流器用多回転ボリューム 2kΩ 5kΩ
2回路6接点ロータリーSW 2個
1回路12接点ロータリーSW
1個
BNCコネクター・メス
陸軍端子 緑・黒 各1個
TELEX社 ハイ・インピーダンス( 600Ω )ヘッドホン
新品
これ以外のパネルや取り付け板、配線材料などは含まれていません。
皆さんの自由なアイデアで製作してください。
メーターの分流器について:50μAメーターに分流器を接続して、100μA、250μAレンジに拡大します。
メーター回路はスルー、X1、X2、X5で設定します。
メーターの内部抵抗は4480Ωです。 X2時は4480Ω X5時は1120Ωにボリュームを予め調整してから組み込んでください。
メーターの極性は、ALD212900の検波出力側が+、トランス側が-になります。
メーター回路が不要の方は、MOSFETの出力を直接トランスに接続してください。
ロータリー・スイッチは、秋月電子通商で販売している物を使用しています。
それぞれの回路図はこちら
p100_kairo.pdf p101_kairo.pdf
限定ヘッドホン付き 販売価格¥11,800 送料が別途掛かります。
限定20セットで終了します。
ヘッドホン無し 販売価格 ¥6,300 送料が別途掛かります。

TELEX 600Ωヘッドホン モノラル仕様
ヘッドホンは新品・デッドストック品( 箱に入った物でなくバルク品 )です。
耳当てカバーの外周部に擦り傷がありますので、ご了承ください。
数量の関係で、ヘッドホンの単独販売はしていません。 ご了承ください。
-----------------------------------------------------------------------------------------------------------------

また、以下の基本パーツ・セットも用意しています。
このセットは、CQ Ham radio別冊 Q E X Japan No.11 に記載した読者プレゼントと同じ物です。
ALD212900PAL ソケット付き( ALD110900Aでも同価格です。 ご希望の場合は指定してください。)
2200PFセラミック・コンデンサ
マルチタップ出力トランス 8Ω - 100kΩ ピン接続図付き
蛇の目基板 タカチ電機 TNF44-69
リッツ線 2次巻線用 0.04mm 30本 約1m
リッツ線 1次巻線用 0.04mm 100本 約5m
180 X 10mmフェライト・ロッド
260PF
ポリ・バリコン・つまみ( 延長シャフト、取り付けネジ含む )
¥4,300 送料が別途掛かります。
-----------------------------------------------------------------------------------------------------------------------

基本部品セット・・・他の部品が有る人向け
ALD110900A ソケット付き 1組
タカチ電機 ガラエポ両面基板 34 X 49mm
ST-30相当品( 50kΩ : 12.5kΩ 巻き線比1 : 2 )
オリジナル回路にある2200PFセラミック・コンデンサ
1組 ¥1,500 送料¥150( 2組まで送料は同じ )
-----------------------------------------------------------------------------------------------------------------

上記、基本部品セットの上位版です。 実際の基板取り付け例です。
出力トランスに、タップがたくさんある物をセットしました。
オリジナル回路図で使用しているT-725トランスよりタップが多いです。
0 - 8Ω - 16Ω - 32Ω - 64Ω - 300Ω - 10kΩ - 20kΩ - 40kΩ - 60kΩ -
80kΩ - 100kΩ
スピーカーからマグネチック・レシーバーや本物のクリスタル・レシーバーなどにも接続でき、
音量と音質の違いを体感できます。
変更分は、出力トランスと基板の大きさです。
ALD110900A ソケット付き 1組
タカチ電機 ガラエポ両面基板 44 X 69mm
マルチ・タップ出力トランス
1組 ¥2,600 送料¥250( 2組では送料¥400 )
-----------------------------------------------------------------------------------------------------------------

リッツ線 1次巻線用 0.04mm 100本 約5m + 2次巻線用 0.04mm 30本 約1m ¥1,150
180 X 10mmフェライト・ロッド ¥380
260PF
ポリ・バリコン・つまみ( 延長シャフト、取り付けネジ含む ) ¥400
3点セット ¥1,900
この各部パーツはMOSFET検波ラジオのパーツ・セットを購入された方、購入される方が対象です。
-----------------------------------------------------------------------------------------------------------
Q値の高いアンテナを製作する時に不可欠なリッツ線は、下記ページをご覧ください。
http://bar-antenna.com/litz/litz.html
秋葉原店で購入される場合は、前日までにメールで来店予定日をお知らせください。 info@mpl.jp