使用している部品は特殊な物はありませんので、電気街や通販で簡単に入手できると思います。
一番コストが掛かるバリコンはエア・バリコンでは無く、ポリ・バリコンを使えば\200位で入手出来ます。
コイルも自分で巻いて作るのも簡単です。
ゲルマニウム・ラジオは増幅部がありません。
一番大事なのは、コイル部分です。 大きなコイルを使用すれば、大きな音で聞く事が出来る様になります。
次はイヤホンの感度が重要です。 予算があれば、メーカーの異なる物を試すのも良いと思います。
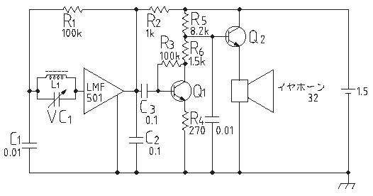
回路は一般的なものなので、記載していません。
各部品の説明
1,バリコンについて
アメリカ製らしき350PFバリコンを使おうとしましたが、シャフト部分のボールが6個使用しているのに回転が少しがたがたします。
バーニア・ダイアルと併用すれば気になりませんが、そのまま使うには選局する時に気になり見合わせました。
一度使ったアルプス製の338PFバリコンを使う事にしました。
こちらはシャフトの廻り具合は良いです。 取り付け金具も付いています。
新品は入手するのは難しく値段も高いです。 \1,500はするのでは?
形に拘らなければ、ポリ・バリコンを使用すれば\100位から入手可能です。
2,コイルについて
今回は少し昔風にしようと科学教材社で売られているプラグイン・コイルを使用しました。
在庫が残り少ないと言う事なので、2本買ってきました。 @\578で、綺麗に巻かれています。
秋葉原ではアクリル製のボビンが\500なので、巻く手間を考えればこちらの方が良いかも判りません。
自分で巻く場合でも、それほど難しくありません。
A - E間 35.7μH Q = 54
G - E間 342.6μH Q = 90 いずれも1MHzにおいて HP 4285A LCRメーターで測定
このコイルを使うのは良いのですが、UYソケットを見付けるのが少し苦労するかも判りません。
秋葉原なら容易に見付ける事が出来ますが、科学教材社さんにはありませんでした。
左:UYソケット 中国製で\500 右:コイルを取り付けたところ
秋葉原・千石電商さんで購入した並四コイル \500
このコイルの方が、安上がりです。
バリコンとコイルの容量は、LCRメーターで間単に測定できます。
バリコンの替わりにバリキャップ・ダイオードを使う場合の電圧VS容量特性も、簡単に測定できます。
上段:左 KENWOOD PW18-1.8Q 3出力電源 右:HP 8561B 6.5GHzスペアナ
下段:HP 4285A 75KHz - 30MHz LCRメーター
3,ゲルマニウム・ダイオードについて
ここで用意したのは、以下のダイオードです。 気分により交換するのも、面白いかも判りませんね。
左より:ロシア製 d2e ロシア製 d2zh ロシア製 d9V 三洋 1S426 1N60
ロシア製は入手するのは難しいかも判りませんが、1N60 / 1N34A / 1K60などのダイオードは秋葉原で簡単に買えます。
1本\20 - \50位です。
ダイオードの順方向電圧の違いからなのか電界強度により歪みを生じるダイオードもあり、奥が深そうです。
ロシア製ダイオードは、まとめ買いをしたので暫くは楽しめます。
4,イヤホンについて
全盛期はクリスタル・イヤホンと呼ばれていましたが、今は見掛けなくなったのではないでしょうか?
外観が同じでも、中身はセラミック振動板を使っている物がほとんどです。 \200 - \300程度です。
上のクリップが付いている方の感度は悪かった! 貰い物で、日数が経っているのが原因なのかも判りません。
放送局から遠い場合は、小さなアンプとスピーカーを接続するのも1つの手です。
組み上がったゲルマニウム・ラジオ
左:コイルと右端のイヤホン端子の間は、アンプが入れられるように少し空けてあります。
右:端子は左側から、アンテナ端子、ダイオード取り付け端子、イヤホン端子になっています。
板は、周りが加工済みの物で、\294でした。
ターミナルを使用しているので、ダイオードは簡単に交換できます。
組み立てて判った事は、イヤホンの感度が悪い事でした。( 上記イヤホン画像の赤・黒クリップの付いている方 )
鉄筋ビルの中にいるので、1KHz / 30%の変調を掛けたシンセサイザーで確認すると音が小さすぎる感じがします。
検波出力は数百mVあるのに・・・アンプを使うか、感度の良いイヤホンを探すかを思案中です。
久しぶりに、ちょっと改良を試みました。
手元にイヤホンが2つあったので、最初は単純に並列接続して聞いていました。
両耳が塞がれる事で、聞き易くなりました。 1歩前進!
しかし、音量が今ひとつ大きくなりません。
恐らく検波後のインピーダンスとイヤホン側のマッチングが取れていないのが原因だと思います。
そこで、トランスを入れてみる事にしました。
ゲルマラジオでスピーカーを鳴らしている人の記事を見た事がありますが、イヤホンでトランスを使って居る人は少ないかも。
検波後にトランスを入れてみました。
使用したのは、山水 ST-30です。 詳細は、山水 ST-30のキーワードで検索すれば直ぐに見つかります。
巻き始め(白)をアース部分に、センター(赤)を検波ダイオードに、巻き終わり(緑)をイヤホン側に接続します。
ステップ・アップの状態にしていますが、センターと巻き終わりを逆にしたステップ・ダウンの時と比較すると
ステップ・アップの方が大きな音がします。 トランスを入れる前と比べると格段の差が出ます。
ロシア製マグネチック・レシーバー
ロシア製のマグネチック・レシーバー( 直流抵抗:1.6Kオーム )を入手しました。
今では程度の良いレシーバーを見付けるのが難しくなっている様です。
嬉しい事に、ロシア製は新品でも安いです。 何個か入手出来ました。
両耳を覆うので、周りの雑音があっても聞き易いと思います。

途中にボリュームが入っています。 AC220Vコンセント並の大きさです。
耳当ては硬質ゴム レシーバー部分のカバーはベークでした。
硬質ゴムなので、長時間当てていると耳が痛くなります。

説明書に何が書いてあるのか、さっぱり判りません。
6.5Φプラグに変更し、トランスはプラケースに入れた。
マグネチック・レシーバーの特性をLCRメーターで測定しました。
左右のレシーバーが直列接続になっています。 直流抵抗:3001Ω
レシーバーそのものではなく、コードも含んだ測定結果です。
NF 2340 10Hz - 1.2MHz LCZメーターを使用。 信号電圧:1V ヨマグネチック・レシーバーの特性
|
|
|
|
|
|
|
|
|
10 |
2.032 |
2.999K |
1.5K |
1.8040 |
17.704K |
|
|
50 |
2.021 |
3.072K |
1.6K |
1.7973 |
18.867K |
|
|
100 |
2.023 |
3.279K |
1.7K |
1.7918 |
19.957K |
|
|
200 |
2.010 |
3.986K |
1.8K |
1.7866 |
21.07K |
|
|
300 |
1.998 |
4.922K |
1.9K |
1.7690 |
22.15K |
|
|
400 |
1.9842 |
5.975K |
2.0K |
1.7414 |
22.82K |
|
|
500 |
1.9712 |
7.079K |
2.1K |
1.7412 |
23.93K |
|
|
600 |
1.9585 |
8.215K |
2.2K |
1.7353 |
24.98K |
|
|
700 |
1.9510 |
9.379K |
2.3K |
1.7283 |
26.00K |
|
|
800 |
1.9493 |
10.610K |
2.4K |
1.7212 |
27.03K |
|
|
900 |
1.9509 |
11.974K |
2.5K |
1.6902 |
27.76K |
|
|
1.0K |
1.7287 |
11.861K |
2.6K |
1.6987 |
28.90K |
|
|
1.1K |
1.7820 |
13.059K |
2.7K |
1.6922 |
29.89K |
|
|
1.2K |
1.8053 |
14.337K |
2.8K |
1.6841 |
30.87K |
|
|
1.3K |
1.8110 |
15.514K |
2.9K |
1.6749 |
31.80K |
|
|
1.4K |
1.8083 |
16.656K |
3.0K |
1.6670 |
32.74K |
|
|
|
|
|
|
|
|
|
|
|
10 |
801 |
19.870 |
0.206 |
2.0K |
4.117 |
19.302 |
0.0544 |
|
|
50 |
165.02 |
19.135 |
0.0047 |
2.1K |
3.851 |
19.648 |
0.0545 |
|
|
100 |
81.95 |
19.416 |
0.0159 |
2.2K |
3.603 |
20.05 |
0.0537 |
|
|
200 |
41.22 |
19.309 |
0.0162 |
2.3K |
3.349 |
20.63 |
0.0611 |
|
|
300 |
27.54 |
19.258 |
0.0167 |
2.4K |
3.062 |
21.62 |
0.0921 |
|
|
400 |
20.67 |
19.247 |
0.0167 |
2.5K |
2.769 |
22.9 |
0.1486 |
|
|
500 |
16.54 |
19.240 |
0.0172 |
2.6K |
2.474 |
24.47 |
0.2703 |
|
|
600 |
13.76 |
19.275 |
0.0181 |
2.7K |
2.143 |
26.55 |
0.6618 |
|
|
700 |
11.757 |
19.335 |
0.0202 |
2.8K |
1.8766 |
25.27 |
1.9959 |
|
|
800 |
10.263 |
19.38 |
0.019 |
2.9K |
2.696 |
9.06 |
1.0278 |
|
|
900 |
9.1 |
19.428 |
0.0195 |
3.0K |
5.213 |
7.07 |
0.3629 |
|
|
1.0K |
8.158 |
19.507 |
0.0196 |
3.1K |
4.986 |
9.694 |
0.901 |
|
|
1.1K |
7.34 |
19.707 |
0.0217 |
3.2K |
4.265 |
19.448 |
0.1249 |
|
|
1.2K |
6.634 |
19.987 |
0.0298 |
3.3K |
3.814 |
12.55 |
0.0908 |
|
|
1.3K |
5.983 |
20.45 |
0.0566 |
3.4K |
3.508 |
13.287 |
0.0704 |
|
|
1.4K |
5.395 |
21.09 |
0.167 |
3.5K |
3.281 |
13.827 |
0.0565 |
|
|
1.5K |
4.888 |
21.41 |
0.182 |
3.6K |
3.098 |
14.227 |
0.0469 |
|
|
1.6K |
5.43 |
18.027 |
0.0959 |
3.7K |
2.946 |
14.584 |
0.469 |
|
|
1.7K |
5.138 |
18.137 |
0.0688 |
3.8K |
2.816 |
14.863 |
0.4 |
|
|
1.8K |
4.746 |
18.588 |
0.0586 |
3.9K |
2.701 |
15.097 |
0.35 |
|
|
1.9K |
4.41 |
18.96 |
0.0552 |
4.0K |
2.6 |
15.296 |
0.0315 |
Panasonic EAB-MPC301



左は長さ120mm 直径10mmの中波・短波帯の2バンド・アンテナです。 向きを変えて取り付けて中波・短波を切り換えます。
中央は長さ50mm 幅 5mm 厚さ 3mmのフェライト・アンテナです。
ターミナル式にしたので、いろんなアンテナを交換できて便利です。
この3つで感度が高いのは、左の2バンド・アンテナです。
スパイダー・コイルと120mmのフェライト・アンテナを交互に使うと、イヤホンから聞こえてくる音の大きさが全く違うのに驚かされます。

一回り径の大きなコイルにすると、感度は段違いに違うのが実感できます。 線材はリッツ線を使用しています。
左のコイルについては、アンテナコイルの比較ページに記載していますが、Q値が300ほど有ります。
ビル内でニッポン放送とラジオ日本を聞くときは、tokyo_pedi_2f.html に記載している外部アンテナを使うと信号が鋭く浮かび上がります。
余談:
CQ出版社のエレキジャック 4号( 2007年10月発売
)のP44にマイクロ・インダクタをアンテナ・コイルにする改造方法があります。
330μHのインダクタで中波帯はカバーできますが、なにしろ大きさが小さいので放送局によほど近い場所以外は外部アンテナが必要になります。
また、フェライト・アンテナに比べてQも低いので選択度も今ひとつかも判りません。
参考例として、市販されている3種類をそれぞれ500KHz、1MHz、1.5MHzでQ値を比較してみました。
フェライト・アンテナの比較ページも参考にしてみて下さい。 tokyo_pedi_2p.html
この3種類です。
データは、上から左の黒いインダクタ、緑のインダクタ、リード型のインダクタの順になっています。



2号機の準備中です。 ケースを一回り大きくして、おまけを付ける予定です。
1,スピーカーでも聞ける様にする。 セラミック・イヤホンとオーディオ用ヘッドホンも使えるようにする。
2,近距離の中波帯をメインにし、手廻し式のジャイロ・アンテナも取り付けられる様にする。
ミュー同調 AMラジオ
コイル部分を左右に動かして受信します。
内部には、長さ100mm 径8mmのフェライトが本取り付けられています。
普通のラジオはコンデンサを可変させて同調させますが、ミュー同調はコイル(インダクタンス)を可変させます。
内部には、長さ100mm 径8mmのフェライトが本取り付けられています。
この為、バリコンではなく固定コンデンサを使って同調を取ります。

径60mmにリッツ線を巻いています。

素のコイルの特性です。
高感度 中波帯ポケット・ラジオ 奈良県在住 盧舎那仏さまの依頼品です! 平城京遷都1300年記念製作品
ハムフェア2008 関西マイクロウェーブ実験グループのブースで展示しました。
無電源MOSFET検波で、高感度を実現しました!

受信周波数:520 - 1700KHz
大きさ: 715 X 130 X 190 mm
重さ:約2.5Kg
各部の性能など
◎ アンテナに使用するフェライト・ロッドは、継ぎ足しの無い貴重な1本物を採用しています。
長さ:686.8mm 外径:25.4mm 重さ:1306グラムあります。
◎ 大きな誘起電圧が得られ、MOSFETによる検波で高感度を実現しています。
◎ 無電源でエコ環境に優しいポケット・ラジオです。
◎ 屋外では、マグネチック・レシーバーがうるさく鳴ります。 スピーカーでも充分な音量が得られます。
◎ 回路的には従来のゲルマニウム・ラジオと同じで、ゲルマニウム・ダイオードの替わりにMOSFETを使用しています。
◎ マグネチック・レシーバーとスピーカーが使えるように、トランスを接続しています。
外部アンテナとしても使用できるように、別回路を設けてあります。
右側のコイルが別回路の物で、右側面に同調バリコンと出力プラグが取り付けられています。
学研の真空管ラジオキット ⇒ クリックして下さい。 tokyo_pedi_1.html
ラジオの調整に便利なグッズ ⇒ クリックして下さい。 tokyo_pedi_2.html
500円以下〜在庫処分のラジオ ⇒ クリックして下さい。 tokyo_pedi_2i.html
あなたは水晶の音を聴いた事がありますか? ⇒ クリックして下さい。 tokyo_pedi_3.html
一家に1台! 自家製JJYキットの製作 ⇒ クリックして下さい。 tokyo_pedi_4.html
マイクロ・パワー研究所の表紙に戻る ⇒ クリックして下さい。