水 晶 振 動 子( 水 晶 発 振 子 ) を 体 感 し て み よ う!

最 終 更 新 日   2020年 10月 30日

別冊 CQ ham radio QEX Japan誌 2020.11.19 発売  No.37 に掲載予定
タイトル:水晶振動子から音が聞こえる?  10kHz振動音発振器の製作
全国・電波ホットスポット探検隊員の細倉さんとの共著です。

   記事連動ページで、 誌面では再現できない動画などを紹介します。

水晶振動子から音が聞こえる? 10kHzの振動音を体験!    

電源投入から発振開始、振動音が聞こえるまでの動画もあります。
振動音はそれほど大きくないので、聞きづらいと思います。


はじめに

  水晶振動子( 水晶発振子 )はアマチュア無線家にとっても身近な電子部品の一つだと思います。
HC-6/u  HC-13/u   HC-18/u   FT-243などの呼び名で、外観も大きな物から小さな物までありますね。
   初めて目にする方も多いと思いますが、ガラス管に封入された可聴周波数帯の水晶振動子が今回の主役です。
30-50年程前に製造され、今では製造されていない入手が難しい絶滅危惧電子部品と言えます。 
一見するとMT管、GT管の真空管に見えますが、中央に振動子があるだけなのでプレート、グリッドはおろかフィラメントもありません。 




写真1  色々なサイズがある水晶発振子
              左から、HC-49/S   HC-18/u  HC-6/u  HC-13/u  FT-243  MT管サイズ GT管サイズ

水晶振動子から音が聞こえる?

  今から10数年前にガラス管に入った10kHz振動子を手に入れ、発振回路を製作した事から始まります。
CMOS-IC( TC4069UBP )で簡単な回路を組み、オシロスコープで出力波形を確認しようと机に置いたままにしていました。
机に背を向けて他の測定作業をしていたら、耳鳴りがしました。  体調が悪くなったのかな?と思いながら肩を動かしたり
首を左右に振るとキーンと言う音が大きくなったり小さくなったり・・・
   あれ?これは耳鳴りではないのかと振り返り、机の上を見ると発振回路が目に入りました。
もしやと思い水晶振動子に耳を近づけると、そこからキーンと音がしています。
   可聴周波数帯の水晶振動子から振動音が聞こえるのが確認出来た瞬間でした。
それまでは聞こえるとは思いもしなかったので、これがきっかけになって可聴周波数帯の水晶振動子に興味を持つようになりました。
水晶振動子から振動音が聞こえるよと話しても信じない人がいるので、いくつか製作サンプルを作ってみました。

可聴周波数帯の物は数十年前に製造終了になっており、マニア間のやりとりやオークションなどで入手するしかない入手困難な部品です。
単なる発振回路では無く発振するまでの過程を観測でき、振動音を体験するのが主目的なので出力波形や精度については考慮していません。
   メーカーは振動音を出す目的で製造した訳では無いので、振動音の大小は製作後の運に任せるしかありません。
水晶振動子の動作原理などの基本部分には触れていませんので、気になる方は文末の検索サイトなどで見つけてください。   




写真2   振動音が聞こえる水晶振動子       左:10kHz    右:8kHz



製作した10kHz振動音テストセットの主な特徴は

1、視覚上の気分も盛り上げるためイルミネーションLEDを使用し、色彩が変化する。
2、数十秒後に10kHzの振動音が聞こえる。(発振するまでの過程はオシロスコープを併用して観測できる。)
3、電源を切断しても、振動音が徐々に減衰する現象が確認できる。
4、オシロスコープでも観測できるように、出力端子を設置。                            


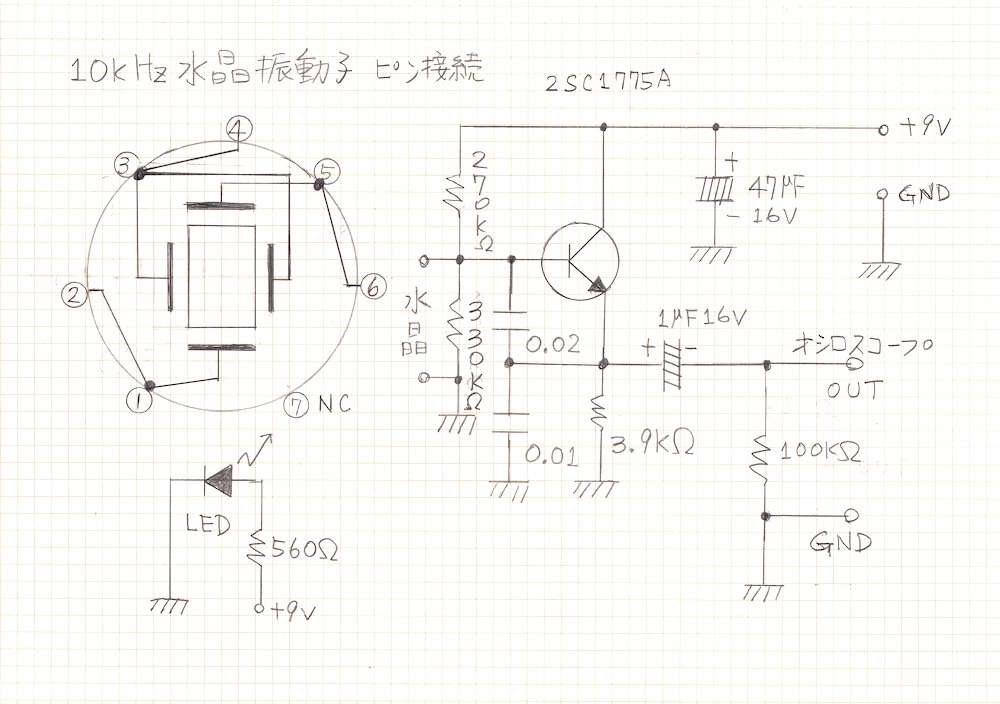
発 振 回 路 に つ い て

図:1実際に製作した全体の回路図


文末で紹介している日本大学理工学部 作田幸憲先生の論文中の回路を参考にしました。
hfeの大きい2SC1775Aが1本の発振回路で、抵抗4本  コンデンサ4本の簡単なものです。
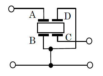
水晶振動子のピン接続は、ピン1+ピン6とピン3 または ピン1+ピン3とピン6の組み合わせを試します。
※メーカーによって内部の電極( ピン接続 )は異なるので、目視ないしは内部結線図での確認が必要です。

水晶振動子はロシア(旧ソ連)のMORION社製 10kHzを使用しました。   現在のMORION社はVCXO、OCXO等を製造しています。

製作される場合は10kHzに拘るのでは無く、入手出来る周波数で試してください。
近所のOMさんに手持ちがないか尋ねるのも良いかもしれません。
振動音が聞こえるのは加齢との相性もあるので、概ね10kHz以下がお勧めです。   

2SC1775A  参考資料 データシート PDF

重要! 内部電極の接続について



写真3   100kHz水晶振動子の中身   振動子の両面が2分割されています。 


私たちがよく使用する水晶振動子はほとんどが2端子ですが、今回使用した物は内部で接続されて3端子構造になっています。
振動体の構造から音叉型水晶振動子とも呼ばれています。

図2:  内部接続

作田先生の文献では端子ACと端子BDを一緒にし2端子とすることにより,通常の水晶振動子の等価回路となると記載されています。
この方法で試すと発振はするが振動音が聞こえない物もいくつかあり、2端子にする組み合わせをA+B+DとCに変更して振動音が聞こえる
様になった物もありました。 振動音が聞こえない場合は、組み合わせを変えて試してください。

この回路と水晶振動子との相性かも分かりませんが、電源投入後すぐに発振を開始せず10-20秒程度かかります。 
しかし、なかなか発振しないのは回路に問題があると一言で片付けるのは早計です。
通常は電源投入と同時に出力が得られると思いますが、この遅延時間が思わぬ副産物を与えてくれました。
電源投入から徐々に発振するまでの様子を観測した
経験がある人は少ないのではないでしょうか。


10kHz以下の手持ちは、9.6kHz   9.5kHz  8.192kHz  8.14kHz  6178.8Hz   5.6kHz  5.4kHzと何本かあるのですが、8kHz以下になると発振しなかったので別の発振回路(図3: )でも試しているところです。
振動音だけを確認するだけなら、低周波ファンクション・ジェネレータか水晶発振器を分周して振動子に接続する方法もあります。
その場合のドライブ電力は徐々に上げていかないと振動体が割れてしまうので細心の注意が必要です。  

図3:   4096Hz用発振回路の一例


全国・電波ホットスポット探検隊員の細倉さんに1台製作を依頼し動作確認もお願いしました。
細倉さんの工作歴はUZ-8CQ(中波帯ループアンテナ)、3台目のゲルマニウム・ラジオを製作進行中で、電源を使う工作は今回が初めてです。
製作後はテスターとオシロスコープで波形などを観測してもらいました。
 ( 以上、高橋 )     

実際に製作してみました

水晶振動子から音がするという話を聞いたとき、水晶から音がするという意味が分からず興味を持ちました。
水晶振動子とは何なのか?、そして音がする仕組みを知りたいと思いました。
音は振動ということは知っている、水晶を振動させるということもわかった。
水晶は鉱山から掘り出した天然の鉱物では無く、不純物の無い人工水晶を使うことも分かりました。
ただ、水晶をどう振動させるのか、(ガラスの中の振動がどう伝わるのか)が知りたくなり、製作にチャレンジしました。     



写真4 細長い氷砂糖みたいな人工水晶

村田製作所さん 人工水晶について https://www.murata.com/ja-jp/products/quartzdevice/synthetic/basic



写真5   基本部品はこれだけです! 


写真6   完成した発振回路  部品数が少ないので、平ラグ板を使用しました。


楽しむワンポイント カラフル化!

視覚上の気分も盛り上げるために、ソケットにイルミネーションLEDを仕込み光らせることにしました。
電圧を掛けるだけで簡単にイルミネーション化できるのは便利なLEDです。
何でも楽しいほうがいいもんです。

イルミネーションLEDはここから ↓
https://www.sengoku.co.jp/mod/sgk_cart/search.php?cid=3111  せんごくネット通販より



      
写真7      7ピン・ソケットの中心ピンを取り去る改造


ソケットの中央ピンを取り外し、電動ドリルの回転数を落として4mmまで拡げ3ΦLEDを収納しました。




写真8     水晶振動子の周波数表記が正面を向くようにソケットの位置を予め決めておく。
電源スイッチと緑色のLEDを追加、簡単な動作説明をシールにして貼っています。



写真9    後面は、ACアダプターのジャックだけ


写真10     裏面に回路部分を取り付け、表はスッキリ!
軽いと倒れる可能性があるので、金属板を貼り付けて重くしてあります。  底面にはアクリル板で底板を加工。



写真11     振動子が割れないようにカバーをしています。

※ケースはダイソーで売られているコレクションボックス ミニ( 169X85X100mm )に組み込んでいます。
    製作時間はケースの穴開けを含めて2時間程度で完成しました。


  製作後、振動音の確認に関して

  発振状態の確認は振動音を耳で聞くことが出来ますが、加齢により高い周波数が聞こえない場合もあります。
※子供は20kHz近くまで聞くことが出来るらしいが、年を重ねるにつれて高い周波数は聞こえなくなります。 
※参考文献2
その場合は、低周波域まで使える周波数カウンター、オシロスコープを併用すると便利です。
デジタル・テスターも1MHz程度まで測定できる機種があります。
使用したオシロスコープは69 X 88 X 25mmと小型・軽量で周波数測定もでき、簡単な実験には最適です。
30MHzとありますが、1MHzくらいから波形が小さく表示されるのでオーディオ帯用と割り切って使います。    

●サンワ PC510aで周波数を測定中


写真12    細倉さんが製作した体験セット テスターでキッチリ10.00kHzと表示されている様子


●小型オシロスコープで出力波形をモニターしている様子

※ あまり綺麗な正弦波ではありませんが、振動音は大きく聞こえます。
電源電圧を下げると綺麗な正弦波になりましたが、振動音も小さくなります。    


写真13    小型オシロスコープで出力波形をモニターしている様子    



写真14    電源投入直後から10秒ほど経過した出力波形     まだ変化は見られない。
                   スイッチをオンにすると、、、何も聞こえません。   LEDは点灯しているので通電はしています。



写真15    電源投入20秒ほど経過した出力波形      いよいよ発振を開始!



写真16    電源投入30秒ほど経過した出力波形     振幅が大きくなり、振動音が微かに聞こえ始める。
しばらく待っていると、少しずつ音が聞こえてきました。   屈曲振動が少しずつ大きくなっているようです。



写真17    電源投入35 - 40秒ほど経過した出力波形      最大出力になると振動音も大きく聞こえる
ある時点でほぼ安定して聞こえるようになりましたが、たまに音量が大小します。
音程は常に一定です。キーーーンという高くて細い、耳鳴りに似た音がしています。
※出力側の100kΩを小さくして負荷を重くすることで、発振開始までの時間をある程度調整ができます。   
 振動子から直接耳で聞く以外に、出力端子にセラミック・イヤホン(セラミック振動体を含む)を接続してもOKです。
 但し、低インピーダンスのマグネチック・イヤホン系では負荷が重くなって発振を停止するので注意が必要です。



● 10kHz 電源投入から発振、振動音が聞こえるまでの動画 ここをクリックしてください。
     10kHzタイプは3種類製作し、最初に製作した物です。 10kHz振動音はどれも大差なく聞こえます。


〜〜〜〜〜〜〜〜〜〜〜〜〜〜〜〜〜〜〜〜〜〜〜〜〜〜〜〜〜〜〜〜〜〜

● HC-13/uタイプ  8.000kHz小型版


写真18   HC-13/uサイズの8.000kHzを使い小型化。  この水晶振動子は、あのコリンズ社の何かに使われていた物です。

これは2端子で扱いやすく、電源はLR44 ボタン電池を5個直列接続して7.5Vを得ています。
電池容量の関係で消費電力の大きいLEDは使っていません。

ガラス封入型10kHzと比べて発振開始時間は少し短いです。
振動音は小さめですが、ちゃんと聞くことができます。


写真19    電源投入直後から5秒程度


写真20    10秒ほどで発振の予兆が見えてくる


写真21    15秒ほどで徐々に出力電圧が上昇


写真22    20秒ほどで出力は大きくなり、振動音も聞こえるように

● HC-13/uサイズ 8.000kHz 電源投入から発振、振動音が聞こえるまでの動画    クリックしてください。
      ケースに耳を近づけないと聞こえないのと、マイクが手前にあるので音を拾えません。

     ↓これはおまけです。
● GT管サイズ 8.000kHz 電源投入から発振、振動音が聞こえるまでの動画    クリックしてください。
      小さな音なので聞きづらいと思います。



〜〜〜〜〜〜〜〜〜〜〜〜〜〜〜〜〜〜〜〜〜〜〜〜〜〜〜〜〜〜〜〜〜〜

他の応用例 分周して1秒毎(1PPS)にLED点滅させる

発振で得られた10kHzを1Hzまで10000分周して、1秒毎(1PPS)にLEDをピカピカさせるのも良いかもわかりません。

※ 10kHz = 10,000Hz   10000分周すれば1Hz出力が得られる。

74HC390は1/10分周回路が2組入っているので、2個使用すれば1/100 X 1/100 = 1/10000になります。
今回は空きスペースが限られているので、10000分周をIC1個で得ています。   
使用したエプソン SPG8650O( 8650の次はゼロでは無く、オーです。)は廃品種らしく入手困難になっていますので74HC390の使用をお勧めします。
10kHz出力は
SPG8650Oの入力最大定格電圧に収まるよう事前に確認してください。
最大定格電圧を超えるようなら分圧回路を入れるなどの工夫をしてください。
1Hz出力は680Ωを介して高輝度LEDに接続します。 LEDはパネルに取り付けるか、ソケット基部に取り付けても良いかと思います。
また4096Hzや8192Hzの水晶振動子ではバイナリ分周するなど、使用する水晶振動子に適宜変更してください。

● 1Hzで点滅している動画    クリックしてください。
電源を投入すると電源LED( 赤 )とイルミネーションLEDが点滅開始します。
発振を開始するまでは1Hz点滅LED( 緑 )は点灯し、約30秒後に発振を開始すると点滅します。

● 振動音をマイクで拾いやすくしてみました。 クリックしてください。


写真23    10000分周基板


図4  簡単な10000分周回路



これだけの部品で10000分周が出来ます。


考察・疑問点

◎発振を開始するまでに時間が掛かるのは何故か?
MHz帯の振動子などは振動体が薄くドライブを多く必要としませんが、10kHzの振動体は厚くて大きいために発振回路のドライブ電力不足と考えられるのでは無いでしょうか?

エプソンデバイスのサイトで推奨回路例が載っていますが、ドライブ電力は振動子に50mW 程度の電力を加えると破壊に至りますので、通常発振回路で使用される場合は、0.1mW 以下(最大で0.5mW 以下)をお推めしますと書かれています。
今回の10kHzでは厚みが2mm程度、長さは40mm程あり10mW位になっても破損はしないのでは無いかと思います。
ただ破損してしまうと替わりの予備が無いので、慎重に進める必要があります。
また、CQ出版社DWM誌( ※参考文献1 )には振動子の厚みについて詳細が書かれていますのでご参照ください。  


◎同じ10kHzでも振動音が聞こえない(または音が小さい)物がある。  ※ 同メーカー、同型番の2本を比較して
オシロスコープでほぼ同じ出力電圧が観測できるのに振動音が小さい物があったが、違う人に聞いてもらったところ同じくらいの音量で聞こえると
言われた。  
10kHzは聞こえたが12kHzは聞こえないなら加齢が原因だろうと想像できるが、同じ10kHzで聞こえる物と聞こえない物が存在し、人により聞こえ方が違うのは謎が残る。これは今後の研究課題です。    


最後に
耳鳴りのような高い音は10kHzの水晶振動子の音であり、一秒間に10,000回波が振れている振動を聴覚で感じているということです。
ここまできても改めて不思議です。
今回の製作で周波数というものを少しだけ理解することができ、それにより「時間とは何か」について改めて考えることになりました。
子供と大人の夏休みの一日、楽しい1時間と辛い1時間、歩くのが早い人と遅い人の10分、寝ている時間と起きている時間、
夜と朝、夏と冬、時間が過ぎる速さは全く違うように感じるのに、常に一定です。
それは現象により定められ、定められた中で現象を観察しているからかもしれません。
周波数の波(他に表現があれば、、「電位差の波」の方が正確か)が振れる空間は、夏と冬で一定
なのか、空中と水中と地中で一定なのか、日本とアフリカでは一定なのか、南極と北極と赤道では、
地球と月と太陽ではどうか、、、不思議な好奇心が広がる製作と実験でした。 (以上、細倉) 

最新の部品や技術を追いかけるのも良いですが、忘れ去られようとする古い部品の使い方を考えるのも面白いと思います。
アマチュア無線を長く楽しんでいる人に見せても、外観が真空管の様な水晶振動子は初めて見たと言う人が多いです。
ましてや振動音を聴いた経験がある人は極めて少ないと思います。
水晶振動子の動作を知る理科学教材として利用するのはいかがでしょう。


最終目標としてGPS同期時計で毎時の時報音を再現したいので、440Hzと880Hzの水晶振動子を入手できる情報をお持ちでしたら是非お知らせください。(以上、高橋)    


引 用 お よ び 参 考 文 献 な ど


●平成29年度 日本大学理工学部 学術講演会  日本大学理工学部 作田 幸憲先生の論文
      今回の製作ではこの論文に紹介されている回路を採用させて頂きました。
https://www.cst.nihon-u.ac.jp/research/gakujutu/61/pdf/M-9.pdf

● 水晶振動子や水晶発振子に関する参考資料    検索サイトで数多く見つけることが出来ます。

https://www.cqpub.co.jp/dwm/contents/0111/dwm011101050.pdf   ※参考文献1

http://www.sunfield.ne.jp/~oshima/omosiro/oto/kacyou.html    年齢別・可聴周波数の調査  ※参考文献2

https://www.kds.info/technical-guide/oscillation-circuit/?mlang=ja  発振回路の検討方法について

https://www5.epsondevice.com/ja/information/technical_info/crystal/circuit.html    水晶発振回路について

〜〜〜〜〜〜〜〜〜〜〜〜〜〜〜〜〜〜〜〜〜〜〜〜〜〜〜〜〜〜〜〜〜〜

●  水晶振動子の入手情報とマイクロ・パワー研究所( 東京ラジオデパート店 )店頭デモについて

実際に製作したい方向けに、入手困難な10kHz水晶振動子が数本あります。

    
英国 Marconi社製 10kHz   新品バルク品 
\11,000   送料\520( レターパック・プラス )
※発振を確認して発送します。     振動子のみで他の部品は含みません。

理科学教材として直ぐに使用できる完成品も用意が出来ます。
10kHz  \39,800     
8kHz \45,000( GT管サイズ 1台のみ )

● GT管サイズ 8kHz 電源投入から発振、振動音が聞こえるまでの動画 ここをクリックしてください。

※秋葉原にあるマイクロ・パワー研究所/東京ラジオデパート店では10kHzタイプの動作デモが可能です。

    事前に希望日時を打ち合わせ後に行います。 実施期間:2021年 4月 30日まで
    住所・氏名・電話番号を明記の上、info@mpl.jp までお問い合わせください。
    定休日( 木曜日  祝日 )以外のAM11:00 から PM4:00までの間で5 - 10分程度

101-0021 東京都千代田区外神田1-10-11東京ラジオデパート1F   マイクロ・パワー研究所
 

http://hotspot-tanken.club/hosokura/radio.html     全国・電波ホットスポット探検隊   細倉隊員のページ



そ の 他 の 振 動 音 が 聞 こ え る 水 晶 振 動 子 





ロシア製 4000Hz      控えめな音がします。
電源電圧: DC5V 50mA





左:8192Hzを8192分周して1Hz( 1PPS )を出力
右:1PPSモニター 1秒ごとにLEDが反時計回りに1つ進みます。
電源を用意することなく、1PPS出力とケーブルを接続するだけで動作します。




英国 GEC製 10Kc/s  力強い音がします。
電源電圧:DC5V 50mA



超 希 少 品   Marconi 10kc 水晶発振器
この手の水晶振動子の適切な発振回路の資料が欲しくて入手
残念ながらモールドでしっかりパッケージされていて開封できず。
発振は確認出来たのが唯一の救いで、Marconi製振動子の動作チェック用にするしかない。




表紙に戻る